Mewn cydosod mecanyddol manwl gywir, mae cyfeiriad gosod cnau crwn (safon cnau crwn GB/T812) yn aml yn destun trafodaeth. Isod, rwyf wedi crynhoi'r pwyntiau allweddol ar gyfer eich cyfeiriad.
1. Nodweddion Strwythurol Cnau Crwn
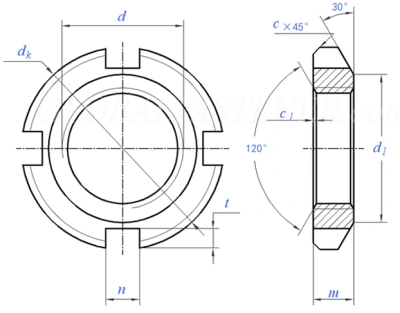
Mae gan un ochr i'r cnau crwn siamffer mawr 30 gradd (cneuen chamfer 30 gradd), a ddefnyddir yn bennaf ar gyfer gosod echelinau siafft.

2. Paru gyda Golchwyr Clo
Yn ymarferol, er mwyn cyflawni dull gwrth-llacio (gwrth-dull cnau llacio), defnyddir cnau crwn fel arfer ynghyd â golchwr clo (golchwr clo GB/T858):
Mae gan y golchwr dabiau lluosog ac ongl 65 gradd;
Yn ôl y safonau, mae dimensiwn D1 y golchwr yn cyd-fynd â dimensiwn d1 y cnau crwn;
Felly, rhaid i ochr siamffrog fawr y cnau crwn baru gyda'r golchwr clo.
👉 Mewn geiriau eraill, pan ddefnyddir cnau crwn a golchwr clo gyda'i gilydd, dylai'r ochr siamffrog wynebu'r gydran clampio.

3. Pan na ddefnyddir Wasieri Clo
Weithiau, ni chaiff wasieri clo eu cymhwyso. Er enghraifft:
Defnyddiocloi cnau crwn dwblar gyfer gwrth-llacio;
Dim gofyniad gwrth-llacio, dim ond tynhau nyten gron sengl.
A yw'r cyfeiriad gosod yn dal i fod yn bwysig mewn achosion o'r fath? Yr ateb yw: oes, mae ystyriaethau o hyd.

4. Ystyriaethau Ychwanegol ar gyfer Cyfeiriad Gosod
Goddefgarwch perpendicularity cnau:
Mae safon GB/T812 yn pennu gofynion perpendicwlar ar gyfer yr ochr siamffrog, ond nid ar gyfer yr ochr arall.
Gan gadw gosod clo cnau:
Mewn cynulliadau fel Bearings, mae'n ddymunol yn gyffredinol nad yw'r gydran sy'n cael ei wasgu yn erbyn y dwyn yn ymestyn y tu hwnt i'r diamedr rasio mewnol. Mewn achosion o'r fath, mae gosod yr ochr siamffrog tuag at y gydran clampio yn fwy rhesymol.
Os nad oes gan y cynulliad unrhyw gyfyngiadau o'r fath, yna nid yw'r cyfeiriad gosod yn hollbwysig.(文章来源:iMechanics机械)







